-14%

Diodos / Pontes Rectificadoras
Comparar
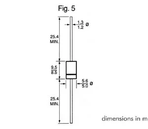
BYC8D600 Rectificador PWR 600v 8A
Disponibilidade: Disponível sob encomenda
Prazo 3 a 5 dias úteis
BYC8D600 Rectificador PWR 600v 8A
€3,66PVP Física
€3,22 c/ IVAONLINE
Disponível sob encomenda


