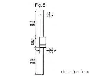
Floow Diodo Bidirecional 1.5kw 68v
Diodos / Pontes Rectificadoras
Comparar
Diodo Bidirecional 1.5kw 68v
Disponibilidade: Disponível sob encomenda
Prazo 3 a 5 dias úteis
€0,75PVP Física
€0,75 c/ IVAONLINE
Disponível sob encomenda



